
Product Features
- Choosing for an R-32 product, reduces the environmental impact with 68% compared to R-410A and leads directly to lower energy consumption thanks to its high energy efficiency
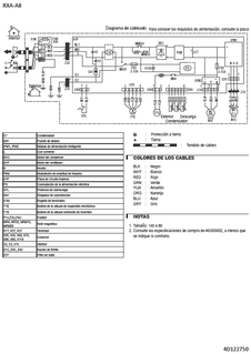
- Outdoor units are fitted with a swing compressor, renowned for its low noise and high energy efficiency
- Outdoor units for pair application
Benefits
Documentation
Download language
Download language
Download language