
Características de producto
- Las unidades exteriores Daikin son compactas y robustas, y pueden instalarse fácilmente en el tejado o una terraza, o simplemente colocarse contra una pared exterior
- Las unidades exteriores Daikin están equipadas con un intercambiador de calor con tratamiento anticorrosión (aleta azul) que garantiza una mayor resistencia a las condicones climáticas más adversas
- Unidades exteriores para aplicaciones split
- Elegir un producto R-32, reduce el impacto medioambiental en un 68% si se compara con el R-410A y se traduce directamente en una reducción del consumo energético gracias a su elevada eficiencia energética
Esta unidad se puede usar con las siguientes unidades
Beneficios
-
Inverter
Los compresores inverter ajustan continuamente la velocidad del compresor a la demanda real. Un menor número de arranques y paradas resulta en una reducción del consumo de energía (de hasta el 30%) y unas temperaturas más estables.



Documentación
Descargar idioma
Lo sentimos, no encontramos documentos en esta categoría
Descargar idioma

RXP-L,RXF-B_RoHS Declaration of Conformity_3P514844-6N
PDF | 710.02KB

RXF-B_3P516375-11G_Safety Declaration of Conformity
PDF | 625.45KB

RXP-L,RXF-B_RoHS Declaration of Conformity_3P514844-6N
PDF | 710.02KB

RXF-B_3P516375-11G_Safety Declaration of Conformity
PDF | 625.45KB
Descargar idioma

RXF20-25B_RXF35A_eldata_3D114887A_ES
PDF | 151.48KB

RXF50-60B_wir1_3D114452A_ES
PDF | 623.05KB

RXF50-60B_RXF71A_ARXF50-71A_eldata_3D133818_ES
PDF | 790.10KB

FTXF25B_RXF25B_capcoolheat_3D126457A_ES
PDF | 592.61KB

FTXF20B_RXF20B_capcoolheat_3D126456A_es
PDF | 765.66KB

ARXF50-71A_RXF50-60B_RXF71A_dim_3D114108B_es
PDF | 1.01MB

RXF60A_RXF60B_capcoolheat_3D113931B_ES
PDF | 88.28KB

RXF50A_RXF50B_capcoolheat_3D113930B_ES
PDF | 88.41KB

RXF20-25B_wir1_3d114611a_ES
PDF | 706.82KB

RXF25B_spres_3D092073D_ES
PDF | 388.01KB

RXF20B_spres_3D092072D_ES
PDF | 401.15KB

RXF20-25B_pip_3d116254_es
PDF | 293.44KB

RXF20-25B_pip_3d116254_es
PDF | 293.44KB

RXF20-25B_dim_2d113526_es
PDF | 883.72KB

RXF20-25B_grav_4D116239_ES
PDF | 721.29KB

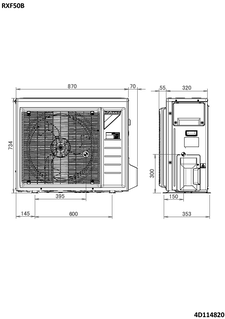
RXF50B_grav_4d114820_ES
PDF | 209.86KB

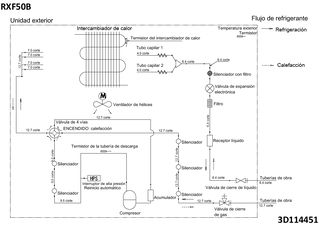
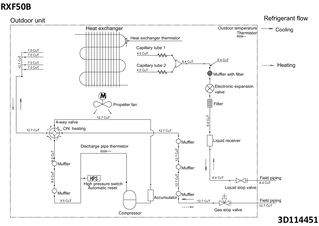
rxf50b_pip_3d114451_es
PDF | 56.90KB

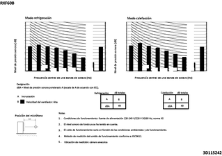
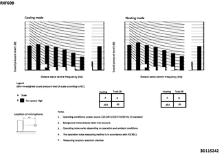
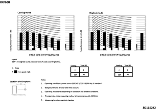
RXF60B_spres_3D115242_ES
PDF | 61.80KB

RXF50B_spres_3D115241_ES
PDF | 61.78KB

rxf-b_operange_3d100846e_es
PDF | 82.07KB

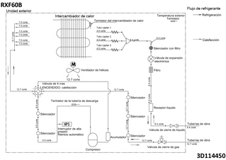
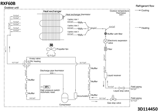
rxf60b_pip_3d114450_es
PDF | 186.56KB

RXF60B_grav_4d114824_ES
PDF | 400.35KB

RXF50-60B_wir1_3D114452A_EN
PDF | 155.24KB

FTXF25B_RXF25B_capcoolheat_3D126457A_EN
PDF | 442.72KB

FTXF20B_RXF20B_capcoolheat_3D126456A_EN
PDF | 444.10KB

ARXF50-71A_RXF50-60B_RXF71A_dim_3D114108B_EN
PDF | 1.51MB

RXF50-60B_RXF71A_ARXF50-71A_eldata_3D133818_EN
PDF | 508.24KB

RXF20-25B_wir1_3D114611a_EN
PDF | 856.76KB

RXF25B_spres_3D092073D_EN
PDF | 344.38KB

RXF20B_spres_3D092072D_EN
PDF | 361.54KB

RXF20-25B_pip_3D116254_EN
PDF | 163.97KB

RXF20-25B_dim_2D113526_EN
PDF | 1.16MB

RXF20-25B_grav_4D116239_EN
PDF | 721.43KB

RXF50B_grav_4d114820_EN
PDF | 209.86KB

RXF-B_wir1_3D114452A_EN
PDF | 97.04KB

rxf50b_pip_3d114451_en
PDF | 44.48KB

RXF60B_spres_3D115242_EN
PDF | 61.70KB

RXF50B_spres_3D115241_EN
PDF | 61.72KB

rxf-b_operange_3d100846e_en
PDF | 81.83KB

rxf60b_pip_3d114450_en
PDF | 99.13KB

RXF60B_grav_4d114824_EN
PDF | 400.39KB