Saltar al contenido principal

Características de producto

  • Primera bomba de calor aire-aire con refrigerante R-32 en el mercado europeo
  • Las unidades exteriores incorporan un compresor swing, famoso por el poco ruido que genera y su alta eficiencia energética
  • Las unidades exteriores Daikin son compactas y robustas, y pueden instalarse fácilmente en el tejado o una terraza, o simplemente colocarse contra una pared exterior
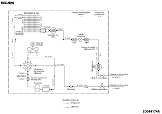
  • Unidades exteriores para aplicaciones split

Beneficios

  • Inverter

    Inverter

    Los compresores inverter ajustan continuamente la velocidad del compresor a la demanda real. Un menor número de arranques y paradas resulta en una reducción del consumo de energía (de hasta el 30%) y unas temperaturas más estables.

  • Cambio automático de refrigeración/calefacción

    Cambio automático de refrigeración/calefacción

    Selecciona automáticamente el modo de refrigeración o de calefacción para llegar a la temperatura programada.

Documentación

Descargar idioma

Descargar idioma

Descargar idioma

¿Necesitas asistencia técnica?

¿Alguna pregunta?

¿Necesitas asistencia técnica?

¿Alguna pregunta?

¿Necesitas asistencia técnica?

¿Alguna pregunta?