
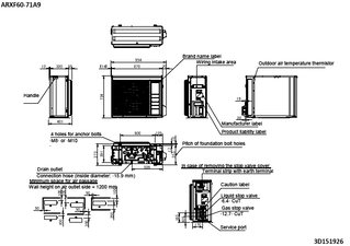
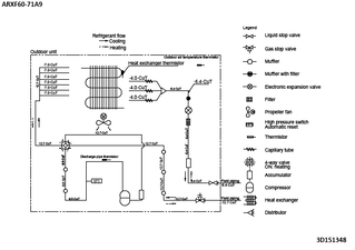
Características de producto
- Las unidades exteriores Daikin son compactas y robustas, y pueden instalarse fácilmente en el tejado o una terraza, o simplemente colocarse contra una pared exterior
- Las unidades exteriores Daikin están equipadas con un intercambiador de calor con tratamiento anticorrosión (aleta azul) que garantiza una mayor resistencia a las condicones climáticas más adversas
- Unidades exteriores para aplicaciones split
- Elegir un producto R-32, reduce el impacto medioambiental en un 68% si se compara con el R-410A y se traduce directamente en una reducción del consumo energético gracias a su elevada eficiencia energética
Beneficios
Documentación
Descargar idioma
Descargar idioma
Descargar idioma
Descargar idioma