Saltar al contenido principal
Daikin Altherma split de baja temperatura

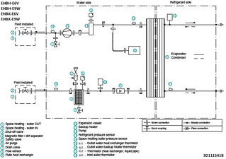
Daikin Altherma 3 R W - EHBX-E9W

Bomba de calor aire-agua reversible de pared ideal para casas de bajo consumo energético
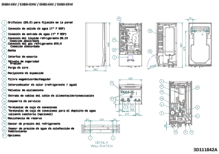
EHBX-E9W

Características de producto

  • Conexión a adaptador W-LAN
  • Incluir todos los componentes hidráulicos significa que no son necesarios componentes de otros fabricantes
  • La PCI y los componentes hidráulicos están situados en la parte delantera para un fácil acceso
  • Dimensiones compactas para ocupar un espacio de instalación reducido, puesto que casi no es necesario dejar espacio en los laterales.
  • El diseño estilizado de la unidad combina con otros aparatos domésticos
  • Se puede combinar con un depósito de acero inoxidable o acumulador térmico ECH2O.

Beneficios

  • Aplicación Onecta (opcional)

    Aplicación Onecta (opcional)

    Controle el clima interior desde cualquier lugar a través de un smartphone o tablet

  • Controlador en línea

    Controlador en línea

    Controle su unidad interior desde cualquier ubicación a través de un smartphone, un portátil, un PC, una tablet o una pantalla táctil

Documentación

Descargar idioma

Descargar idioma

¿Necesitas asistencia técnica?

¿Alguna pregunta?

¿Necesitas asistencia técnica?

¿Alguna pregunta?

¿Necesitas asistencia técnica?

¿Alguna pregunta?