Características de producto
- Unidad solar integrada, que ofrece un confort superior en calefacción y agua caliente
- Máximo uso de energía renovable: utiliza la tecnología de bomba de calor para soporte solar y de calefacción en calefacción de habitaciones y producción de agua caliente
- Principio de agua limpia: agua higiénica, sin necesidad de desinfección térmica de legionela
- Depósito libre de mantenimiento: sin corrosión, ánodos, incrustaciones, ni depósitos de cal y sin pérdida de agua a través de la válvula de seguridad
- Soporte solar para el agua caliente sanitaria con sistema solar sin presión (drenaje de retorno)
- Gestión inteligente de acumulación de calor: calefacción continua durante el modo de desescarche y utilización del calor almacenado para calefacción de habitaciones
- La pérdida de calor se reduce al mínimo gracias a la alta calidad del aislamiento
- Posibilidad de control de aplicaciones para gestionar la calefacción, el agua caliente y la refrigeración
Esta unidad se puede usar con las siguientes unidades
Beneficios
-
Agua caliente limpia
La estructura del acumulador térmico garantiza una higiene óptima del agua y elimina el riesgo de bacterias y legionela. Tenga la garantía de que su agua caliente es limpia y segura.
-
Aplicación Onecta (opcional)
Controle el clima interior desde cualquier lugar a través de un smartphone o tablet
-
Soporte solar
Aproveche la energía solar Conecte fácilmente su medio de almacenamiento de agua caliente a los colectores solares del tejado.
Documentación
Descargar idioma
Lo sentimos, no encontramos documentos en esta categoría
Descargar idioma
Descargar idioma
Descargar idioma
EHSH_XB-E_Operation manual_4PES678718-1A_Spanish
PDF | 2.43MB
Descargar idioma
EHS(H_X)(B)-E_excondia_4D135453C_ES
PDF | 471.21KB
EHS(H_X)(B)-E_wdpsbuh_4D137625B_ES
PDF | 468.22KB
EHS(H_X)(B)-E_wdnl_4D137625B_ES
PDF | 514.10KB
EHS(H_X)(B)-E_wdcc_4D137625B_3_ES
PDF | 448.67KB
EHS(H_X)(B)-E_wdcc_4D137625B_2_ES
PDF | 466.13KB
EHS(H_X)(B)-E_wdcc_4D137625B_1_ES
PDF | 464.38KB
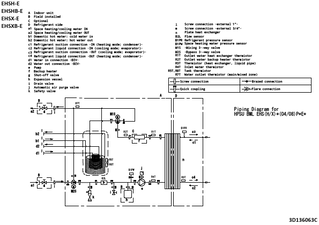
EHS(H_X)(B)-E_pip_3D136063A_ES
PDF | 521.99KB
EHS(H_X)(B)-E_dim_3D138486_ES
PDF | 1.35MB
EHSH(B)-E.EHSX(B)-E_comb_3D136071C_ES
PDF | 454.06KB
EHSH(B)08P50E_EHSX(B)04-08P50E_dim_3D136067_ES
PDF | 606.90KB
EHSH(B)04-08P30E_EHSX(B)04-08P30E_dim_3D136066_ES
PDF | 591.05KB
EHSH(B)-E_EHSX(B)-E_comb_3D136071A_ES
PDF | 436.96KB
EHSH(B)-E_EHSX(B)-E_wdpsbuh_4D137625_ES
PDF | 462.08KB
EHSH(B)-E_EHSX(B)-E_wdnl_4D137625_ES
PDF | 532.03KB
EHSH(B)-E_EHSX(B)-E_wdcc_4D137625_2_ES
PDF | 463.87KB
EHSH(B)-E_EHSX(B)-E_wdcc_4D137625_3_ES
PDF | 456.35KB
EHSH(B)-E_EHSX(B)-E_wdcc_4D137625_1_ES
PDF | 464.59KB
EHSH(B)-E_EHSX(B)-E_pip_3D136063_ES
PDF | 520.26KB
EHSH(B)-E_EHSX(B)-E_statpres_3D136072_ES
PDF | 465.65KB
EHSH(B)-E_EHSX(B)-E_excondia_4D135453A_ES
PDF | 474.03KB
EHSH(B)-E_EHSX(B)-E_capDHW_3D137624_ES
PDF | 476.23KB
EHSH(B)-E_EHSX(B)-E_eldata_4D138485_ES
PDF | 62.66KB
EHSH(B)-E.EHSX(B)-E_eldata_3D136052_ES
PDF | 157.88KB
EHSH(B)-E_EHSX(B)-E_install_3D136049_ES
PDF | 85.76KB
EHSH(B)(04.08)P30E.EHSX(B)(04.08)P30E_grav_3D136068_ES
PDF | 167.00KB
EHSH(B)08P50E.EHSX(B)(04.08)P50E_grav_3D136069_ES
PDF | 168.72KB
EHSH-E.EHSHB-E.EHSX-E.EHSXB-E_wdcc_4D137625D_2_EN
PDF | 466.33KB
EHSH-E.EHSHB-E.EHSX-E.EHSXB-E_pip_3D136063D_EN
PDF | 208.28KB
EHSH-E.EHSHB-E.EHSX-E.EHSXB-E_install_3D136049B_EN
PDF | 495.05KB
EHSH-E.EHSHB-E.EHSX-E.EHSXB-E_capDHW_3D137624C_EN
PDF | 453.05KB
EHSH-E.EHSHB-E.EHSX-E.EHSXB-E_statpres_3D136072B_EN
PDF | 411.79KB
EHSH(B)-E.EHSX(B)-E_operange_3D111564K_EN
PDF | 338.36KB
EHSH(B)-E.EHSX(B)-E_operange_3D111563E_EN
PDF | 459.59KB
EHSH(B)04-08P30E.EHSX(B)04-08P30E_dim_3D156338_EN
PDF | 1.13MB
EHSH(B)08P50E.EHSX(B)04-08P50E_dim_3D151007_EN
PDF | 1.15MB
EHSH(B)-E.EHSX(B)-E_dim_3D151009_EN
PDF | 7.03MB
EHSH(B)-E.EHSX(B)-E_excondia_4D135453D_EN
PDF | 805.82KB
EHSH(B)-E.EHSX(B)-E_wdnl_4D137625C_EN
PDF | 485.10KB
EHSH(B)-E.EHSX(B)-E_eldata_4D138485A_EN
PDF | 549.25KB
EHSH(B)-E.EHSX(B)-E_wdpsbuh_4D137625_EN
PDF | 468.01KB
EHSH(B)-E.EHSX(B)-E_wdcc_4D137625_3_EN
PDF | 448.28KB
EHSH(B)-E.EHSX(B)-E_wdcc_4D137625B_1_EN
PDF | 464.07KB
EHSH(B)-E.EHSX(B)-E_comb_3D136071C_EN
PDF | 518.15KB
EHSH(B)-E.EHSX(B)-E_eldata_3D136052_EN
PDF | 321.75KB
EHSH(B)(04.08)P30E.EHSX(B)(04.08)P30E_grav_3D136068_EN
PDF | 167.00KB
EHSH(B)08P50E.EHSX(B)(04.08)P50E_grav_3D136069_EN
PDF | 168.72KB
Descargar idioma