-M_R.tif/jcr:content/renditions/cq5dam.web.1280.1280.jpeg)
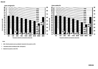
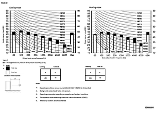
Características de producto
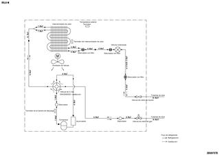
- Capacidad de calefacción garantizada con temperaturas ambiente bajas, hasta -25°C
- Gracias a la batería de suspensión libre exclusiva de la unidad exterior, se mejora el ciclo de desescarche, lo que se traduce en menores costes de funcionamiento y la ausencia de acumulación de hielo
Beneficios
Documentación
Descargar idioma
Descargar idioma