
Características de producto
- Capacidad de calefacción garantizada con temperaturas ambiente bajas, hasta -25°C
- Funcionamiento silencioso hasta 23 dBA
- Onecta: controle la unidad interior desde cualquier lugar con una aplicación, a través de la red local o Internet
- Las dimensiones compactas de la unidad la hacen ideal para proyectos de renovación, particularmente en instalaciones por encima de la puerta
- Valores de eficiencia estacional: A+ en refrigeración y en calefacción
Beneficios
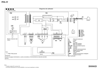
Documentación
Descargar idioma
Descargar idioma
Descargar idioma
Descargar idioma