Características de producto
- Dimensiones compactas para ocupar un espacio de instalación reducido, puesto que casi no es necesario dejar espacio en los laterales.
- Se puede combinar con un depósito de acero inoxidable o acumulador térmico ECH2O.
- La PCI y los componentes hidráulicos están situados en la parte delantera para un fácil acceso
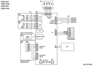
- Módulo W-LAN y compatibilidad con cartucho
- El diseño estilizado de la unidad combina con otros aparatos domésticos
Esta unidad se puede usar con las siguientes unidades
Beneficios
-
Aplicación Onecta (opcional)
Controle el clima interior desde cualquier lugar a través de un smartphone o tablet
-
Control por voz
Controle la unidad mediante su voz
Documentación
Descargar idioma
Lo sentimos, no encontramos documentos en esta categoría
Descargar idioma
EBBH_X-D6V_9W_Safety declaration of conformity_3P663124-1B
PDF | 658.70KB
EBBH_X-D6V_9W_ECO Declaration of Conformity_3P512220-22K
PDF | 627.22KB
EBBH-X-D6V-9W_RoHS Declaration of Conformity_2D108865-20P
PDF | 625.09KB
EBBH-X-D6V-9W_Safety declaration of conformity_3P663124-1A
PDF | 682.09KB
EBBH_X-D6V_9W_Safety declaration of conformity_3P663124-1B
PDF | 658.70KB
EBBH_X-D6V_9W_ECO Declaration of Conformity_3P512220-22K
PDF | 627.22KB
EBBH-X-D6V-9W_RoHS Declaration of Conformity_2D108865-20P
PDF | 625.09KB
EBBH-X-D6V-9W_Safety declaration of conformity_3P663124-1A
PDF | 682.09KB
Descargar idioma
Lo sentimos, no encontramos documentos en esta categoría
Descargar idioma
Descargar idioma
EBBH-D(6V_9W)_EBBX-D(6V_9W)_wdnl_4D133764B_ES
PDF | 515.18KB
EBBH-D(6V_9W)_EBBX-D(6V_9W)_wdpsbuh_4D133764B_ES
PDF | 455.90KB
EBBH-D(6V_9W)_EBBX-D(6V_9W)_wdcc_4D133764B_2_ES
PDF | 481.94KB
EBBH-D(6V_9W)_EBBX-D(6V_9W)_wdcc_4D133764B_3_ES
PDF | 449.48KB
EBBH-D(6V_9W)_EBBX-D(6V_9W)_wdcc_4D133764B_1_ES
PDF | 455.93KB
EBBH-D(6V_9W)_EBBX-D(6V_9W)_excondia_4D134576A_ES
PDF | 474.04KB
EBB(H_X)-D(6V_9W)_EBV(H_X_Z)-(U)D(6V_9W)_eldata_4D136477B_ES
PDF | 558.46KB
EBBH-D(6V_9W)_EBBX-D(6V_9W)_comb_3D136474B_ES
PDF | 449.51KB
EBB(V)H-((U)D6V_D9W)_EBB(V)X-(D6V_D9W)_operange_3D136633A_es
PDF | 112.06KB
EBBH-(D6V_D9W)_EBBX-(D6V_D9W)_wdpsbuh_4D133764A_ES
PDF | 462.30KB
EBBH-(D6V_D9W)_EBBX-(D6V_D9W)_wdcc_4D133764A_3_ES
PDF | 453.85KB
EBBH-(D6V_D9W)_EBBX-(D6V_D9W)_wdnl_4D133764A_ES
PDF | 574.26KB
EBBH-(D6V_D9W)_EBBX-(D6V_D9W)_wdcc_4D133764A_2_ES
PDF | 480.71KB
EBBH-(D6V_D9W)_EBBX-(D6V_D9W)_wdcc_4D133764A_1_ES
PDF | 470.90KB
EBBH-(D6V_D9W)_EBBX-(D6V_D9W)_excondia_4D134576_ES
PDF | 473.22KB
EBB(V)H-((U)D6V_D9W)_EBB(V)X-(D6V_D9W)_operange_3D130989A_ES
PDF | 334.43KB
EBBH-(D6V_D9W)_EBBX-(D6V_D9W)_statpres_3D136488A_ES
PDF | 162.50KB
EBBH-(D6V_D9W)_EBBX-(D6V_D9W)_comb_3D136474_ES
PDF | 186.77KB
EBB(H_X)-D(6V_9W)_EBV(H_X_Z)-(U)D(6V_9W)_eldata_4D121020C_ES
PDF | 182.20KB
EBB(V)H-((U)D6V_D9W)_EBB(V)X-(D6V_D9W)_eldata_4D121020C_ES
PDF | 182.20KB
EBBH-(D6V_D9W)_EBBX-(D6V_D9W)_grav_4D136528A_es
PDF | 199.91KB
EBBH-(D6V_D9W)_EBBX-(D6V_D9W)_pip_3D133750_ES
PDF | 107.99KB
EBBH-(D6V_D9W)_EBBX-(D6V_D9W)_install_3D135872_es
PDF | 36.20KB
EBBH-(D6V_D9W)_EBBX-(D6V_D9W)_dim_3D136451_es
PDF | 309.26KB
EBBH-D(6V_9W)_EBBX-D(6V_9W)_wdcc_4D133764B_3_EN
PDF | 449.07KB
EBBH-D(6V_9W)_EBBX-D(6V_9W)_wdpsbuh_4D133764B_EN
PDF | 456.04KB
EBBH-D(6V_9W)_EBBX-D(6V_9W)_wdnl_4D133764B_EN
PDF | 513.68KB
EBBH-D(6V_9W)_EBBX-D(6V_9W)_wdcc_4D133764B_2_EN
PDF | 482.15KB
EBBH-D(6V_9W)_EBBX-D(6V_9W)_wdcc_4D133764B_1_EN
PDF | 455.73KB
EBBH-D(6V_9W)_EBBX-D(6V_9W)_excondia_4D134576A_EN
PDF | 473.11KB
EBB(H_X)-D(6V_9W)_EBV(H_X_Z)-(U)D(6V_9W)_eldata_4D136477B_EN
PDF | 554.51KB
EBBH-D(6V_9W)_EBBX-D(6V_9W)_comb_3D136474B_EN
PDF | 446.50KB
EBB(V)H-((U)D6V_D9W)_EBB(V)X-(D6V_D9W)_operange_3D136633A_EN
PDF | 323.98KB
EBBH-(D6V_D9W)_EBBX-(D6V_D9W)_wdnl_4D133764A_EN
PDF | 634.45KB
EBB(V)H-((U)D6V_D9W)_EBB(V)X-(D6V_D9W)_operange_3D130989A_EN
PDF | 255.72KB
EBBH-(D6V_D9W)_EBBX-(D6V_D9W)_grav_4D136528A_EN
PDF | 199.91KB
EBBH-(D6V_D9W)_EBBX-(D6V_D9W)_statpres_3D136488A_EN
PDF | 449.70KB
EBBH-(D6V_D9W)_EBBX-(D6V_D9W)_wdpsbuh_4D133764A_EN
PDF | 466.95KB
EBBH-(D6V_D9W)_EBBX-(D6V_D9W)_wdcc_4D133764A_3_EN
PDF | 453.54KB
EBBH-(D6V_D9W)_EBBX-(D6V_D9W)_wdcc_4D133764A_1_EN
PDF | 470.58KB
EBBH-(D6V_D9W)_EBBX-(D6V_D9W)_excondia_4D134576_EN
PDF | 472.26KB
EBBH-(D6V_D9W)_EBBX-(D6V_D9W)_wdcc_4D133764A_2_EN
PDF | 480.96KB
EBB(V)H-((U)D6V_D9W)_EBB(V)X-(D6V_D9W)_eldata_4D136477_EN
PDF | 105.69KB
EBB(V)H-((U)D6V_D9W)_EBB(V)X-(D6V_D9W)_eldata_4D121020C_EN
PDF | 121.53KB
EBB(H_X)-D(6V_9W)_EBV(H_X_Z)-(U)D(6V_9W)_eldata_4D121020C_EN
PDF | 121.53KB
EBBH-(D6V_D9W)_EBBX-(D6V_D9W)_install_3D135872_EN
PDF | 59.71KB
EBBH-(D6V_D9W)_EBBX-(D6V_D9W)_dim_3D136451_EN
PDF | 307.63KB
EBBH-(D6V_D9W)_EBBX-(D6V_D9W)_pip_3D133750_EN
PDF | 147.13KB