Saltar al contenido principal
Depósito de agua caliente sanitaria

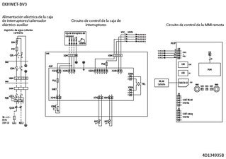
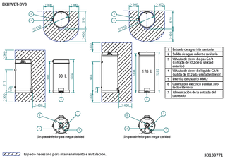
EKHWET-BV3

EKHWET-BV3

Características de producto

  • Se pueden conectar hasta tres unidades interiores y 1 depósito de agua caliente sanitaria a una unidad exterior múltiple
  • Eficiencia del agua caliente sanitaria de hasta A
  • Depósito de agua caliente sanitaria de pared, disponible en 90 y 120 litros

Documentación

Descargar idioma

Descargar idioma

Descargar idioma

Descargar idioma

¿Necesitas asistencia técnica?

¿Alguna pregunta?

¿Necesitas asistencia técnica?

¿Alguna pregunta?

¿Necesitas asistencia técnica?

¿Alguna pregunta?