Características de producto
- Al elegir este producto con LOOP by Daikin está apoyando la reutilización de refrigerante
- Diseño tipo caja que ahorra espacio y permite una instalación flexible
- Cubre todas las necesidades térmicas del edificio a través de un único punto de contacto: control preciso de la temperatura, ventilación, unidades de tratamiento de aire y cortinas de aire Biddle
- Amplia gama de unidades interiores: conecte el sistema VRV o unidades interiores estilizadas como Daikin Emura, Perfera ...
- Incorpora estándares y tecnologías; VRV IV: temperatura de refrigerante variable y compresores con control inverter total
- Personalice sus sistema VRV para lograr la mejor eficiencia estaciona y; confort con la función de temperatura de refrigerante variable dependiente de las condiciones climáticas. Aumento de la eficiencia estacional en hasta un 28%. Se acabaron las corrientes de aire frío gracias a temperaturas de expulsión de aire más altas
- 3 fases en el modo silencioso nocturno para reducir los niveles sonoros durante la noche
- Posibilidad de limitar el consumo de energía máximo entre un 30 y un 80% cuando, por ejemplo, haya mucha demanda de energía.
- Se puede conectar a todos los sistemas de control VRV
- Mantenga su sistema en las mejores condiciones a través de Daikin Cloud Service: Supervisión las 24 horas del día y los 7 días de la semana para lograr la máxima eficiencia, vida útil aumentada y asistencia de servicio inmediata gracias a la predicción de averías
Beneficios
-
Inverter
Los compresores inverter ajustan continuamente la velocidad del compresor a la demanda real. Un menor número de arranques y paradas resulta en una reducción del consumo de energía (de hasta el 30%) y unas temperaturas más estables.
-
Temperatura de refrigerante variable
El sistema inteligente garantiza el máximo ahorro de energía con un confort adicional para adaptarse mejor a los requisitos de la aplicación.
Documentación
Descargar idioma
Lo sentimos, no encontramos documentos en esta categoría
VRV Installer_Product catalogue_ECPEN25-200_English
PDF | 110.98MB
VRV Installer_Product catalogue_ECPEN23-200_English
PDF | 73.13MB
VRV IV S-series_Product profile_ECPEN20-208_English
PDF | 4.45MB
Descargar idioma
Descargar idioma
Descargar idioma
RXYSQ-TY1_TV9_TY9_RXYSCQ-TV1_refpipsel_3D097984C_3_ES
PDF | 41.91KB
RXYSQ-TY1_TV9_TY9_RXYSCQ-TV1_refpipsel_3D097984C_2_ES
PDF | 82.64KB
RXYSQ-TY1_TV9_TY9_RXYSCQ-TV1_refpipsel_3D097984C_1_ES
PDF | 41.43KB
RXYSQ-TY1_TV9_TY9_RXYSCQ-TV1_comb_3D097777J_ES
PDF | 51.00KB
RXYSQ-TY1_TV9_TY9_RXYSCQ-TV1_appr_3D113977F_ES
PDF | 36.41KB
RXYSQ-TY9_comb_3D104665A_ES
PDF | 233.37KB
RXYSQ-TY1_TY9_TV9_comb_3D097983A_1_ES
PDF | 218.52KB
RXYSQ-TY1_TY9_TV9_comb_3D097983A_2_ES
PDF | 193.89KB
RXYSQ-TY1_TY9_TV9_options_3D097778E_ES
PDF | 408.19KB
RXYSQ4-6TY_TV_TY1_TV1_TY9_TV9_capcorfac_3D094660D_ES
PDF | 144.57KB
RXYSQ-TY1_Y9_V9_capcorfac_3D094659D_ES
PDF | 499.87KB
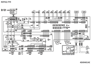
RXYSQ-TY9_wdnl_4D094014E_ES
PDF | 663.00KB
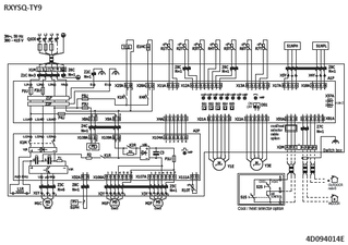
RXYSQ-TY9_wir3_4D094014E_ES
PDF | 533.46KB
RXYSQ-TV9_TY9_install_3D045696D_2_ES
PDF | 747.39KB
RXYSQ-TV9_TY9_install_3D045696D_1_ES
PDF | 716.91KB
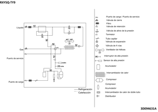
RXYSQ-TY9_pip_3d094631a_es
PDF | 105.39KB
RXYSQ-TY9_grav_4d094635_es
PDF | 302.58KB
RXYSQ-TY9_excondia_1D094667_ES
PDF | 1.13MB
RXYSQ-TV9_TY9_operange_3d094664a_es
PDF | 97.82KB
RXYSQ-TV9_TY9_dim_3TW303741E_es
PDF | 351.50KB
RXYSQ6TV9_RXYSQ6TY9_spres_3D098217_ES
PDF | 348.79KB
RXYSQ6TV9_RXYSQ6TY9_spow_3D098214_ES
PDF | 296.72KB
RXYSQ5TV9_RXYSQ5TY9_spres_3D098216_ES
PDF | 308.30KB
RXYSQ5TV9_RXYSQ5TY9_spow_3D098213_ES
PDF | 333.87KB
RXYSQ4TV9_RXYSQ4TY9_spres_3D098215_ES
PDF | 308.54KB
RXYSQ4TV9_RXYSQ4TY9_spow_3D098212_ES
PDF | 295.49KB
VRV_capleg_ES
PDF | 463.18KB
VRV_capleg_ES
PDF | 463.18KB
VRV_capleg_EN
PDF | 124.67KB
RXYSQ-TY1_TV9_TY9_RXYSCQ-TV1_refpipsel_3D097984C_3_EN
PDF | 41.24KB
RXYSQ-TY1_TV9_TY9_RXYSCQ-TV1_refpipsel_3D097984C_1_EN
PDF | 41.55KB
RXYSQ-TY1_TV9_TY9_RXYSCQ-TV1_appr_3D113977F_EN
PDF | 38.44KB
RXYSQ-TY1_TV9_TY9_RXYSCQ-TV1_comb_3D097777J_EN
PDF | 52.88KB
RXYSQ-TY9_comb_3D104665A_EN
PDF | 195.22KB
rxysq-ty9_tv9_dim_3tw30374-1e_en
PDF | 624.12KB
RXYSQ4-6TY_TV_TY1_TV1_TY9_TV9_capcorfac_3D094660D_EN
PDF | 148.19KB
RXYSQ-TY1_TY9_TV9_options_3D097778E_EN
PDF | 457.35KB
RXYSQ-TY1_TY9_TV9_comb_3D097983A_1_EN
PDF | 178.48KB
RXYSQ-TY1_TY9_TV9_comb_3D097983A_2_EN
PDF | 151.61KB
RXYSQ-TY1_TY9_TV9_capcorfac_3D094659D_EN
PDF | 499.77KB
RXYSQ6TV9_RXYSQ6TY9_spres_3D098217_EN
PDF | 294.73KB
RXYSQ4TV9_RXYSQ4TY9_spres_3D098215_EN
PDF | 297.28KB
RXYSQ6TV9_RXYSQ6TY9_spow_3D098214_EN
PDF | 131.76KB
RXYSQ5TV9_RXYSQ5TY9_spres_3D098216_EN
PDF | 296.54KB
RXYSQ4TV9_RXYSQ4TY9_spow_3D098212_EN
PDF | 132.19KB
RXYSQ5TV9_RXYSQ5TY9_spow_3D098213_EN
PDF | 191.03KB
RXYSQ-TV9_TY9_install_3D045696D_2_EN
PDF | 464.86KB
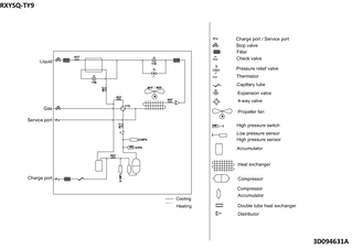
RXYSQ-TY9_pip_3D094631A_EN
PDF | 74.03KB
RXYSQ-TV9_TY9_install_3D045696D_1_EN
PDF | 293.80KB
RXYSQ-TV9_TY9_operange_3D094664A_EN
PDF | 71.99KB
RXYSQ-TY9_excondia_1D094667_EN
PDF | 314.38KB
RXYSQ-TY9_wdnl_4D094014E_EN
PDF | 607.56KB
RXYSQ-TY9_wir3_4D094014E_EN
PDF | 506.94KB