Saltar al contenido principal
VRV IV + bomba de calor, sin calefacción continua

VRV IV+ - RXYQ-U

La solución Daikin en confort y; bajo consumo energético
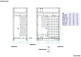
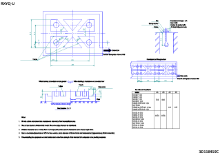
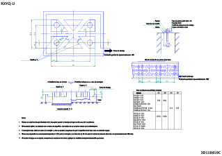
RXYQ-U

Características de producto

  • Al elegir este producto con LOOP by Daikin está apoyando la reutilización de refrigerante
  • Cubre todas las necesidades térmicas de un edificio mediante un único punto de contacto: control de temperatura preciso, ventilación, agua caliente, unidades de tratamiento de aire y cortinas de aire Biddle
  • Amplia gama de unidades interiores: posibilidad de combinar el sistema VRV con unidades interiores estilizadas (Daikin Emura, Perfera)
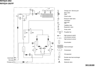
  • Incorpora estándares y tecnologías; VRV IV: temperatura de refrigerante variable, configurador VRV, pantalla de 7 segmentos, compresores con control inverter total, intercambiador de calor de 4 caras, PCI condensada por refrigerante, nuevo motor de ventilador DC
  • Personalice sus sistema VRV para lograr la mejor eficiencia estaciona y; confort con la función de temperatura de refrigerante variable dependiente de las condiciones climáticas. Aumento de la eficiencia estacional en hasta un 28%. Se acabaron las corrientes de aire frío gracias a temperaturas de expulsión de aire más altas
  • Software de configuración VRV para lograr una puesta en marcha, configuración y personalización más rápidas y sencillas
  • Pantalla en la unidad exterior para realizar ajustes en la obra rápidamente y leer errores fácilmente junto con la indicación de los parámetros de servicio para comprobar las funciones básicas.
  • Combinación libre de unidades exteriores para cumplir los requisitos de espacio o eficiencia
  • La ESP de hasta 78,4 Pa permite la instalación de conductos
  • Instalación simplificada y; eficiencia óptima garantizada gracias a las funciones de carga y; prueba automáticas
  • Cumplimiento de la normativa sobre gases fluorados gracias a la comprobación automática de carga de refrigerante
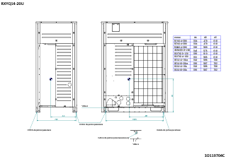
  • Amplia flexibilidad de tubería: diferencia de altura interior de 30 m, longitud máxima de tubería: 190 m, longitud de tubería total: 1.000 m
  • La capacidad de controlar cada zona acondicionada de forma individual reduce los costes de funcionamiento del sistema VRV al mínimo
  • Reduzca el coste de instalación gracias a la instalación por fases
  • Mantenga su sistema en las mejores condiciones a través de Daikin Cloud Service: Supervisión las 24 horas del día y los 7 días de la semana para lograr la máxima eficiencia, vida útil aumentada y asistencia de servicio inmediata gracias a la predicción de averías
  • Disponible para solo calefacción mediante ajuste de campo irreversible

Beneficios

  • Inverter

    Inverter

    Los compresores inverter ajustan continuamente la velocidad del compresor a la demanda real. Un menor número de arranques y paradas resulta en una reducción del consumo de energía (de hasta el 30%) y unas temperaturas más estables.

  • Tecnología de sustitución

    Tecnología de sustitución

    Sustitución del sistema rápida y de calidad de la forma más eficaz

  • Temperatura de refrigerante variable

    Temperatura de refrigerante variable

    El sistema inteligente garantiza el máximo ahorro de energía con un confort adicional para adaptarse mejor a los requisitos de la aplicación.

Documentación

Descargar idioma

Descargar idioma

Descargar idioma

¿Necesitas asistencia técnica?

¿Alguna pregunta?

¿Necesitas asistencia técnica?

¿Alguna pregunta?

¿Necesitas asistencia técnica?

¿Alguna pregunta?